Please note this website is SEVERLY out of date! I’ll update it soon I promise – Bill, Nov/12/’25
🚧 work in progress
this website!
I’m continuously adding to it, I need to polish it up!
piezoelectric walk-for-energy device

CURRENTLY: Researching methods of preventing ceramic cracking and looking at alternative materials.
uw rocketry spin can & coning trade study literature review
https://docs.google.com/document/d/1Qj0eDtkYiWW8jp7twzEMKUV-jl3KLGgICgl11lpyuU8/edit?usp=sharing
⚙️ builds, designs & prototypes
tabletop subway surfers toy | oct/2024 – dec/2024

rope brake dynamometer | oct/07/2024
model rocket | sep/30/2024

Made for the Waterloo Rocketry annual model rocket competition. Designed using OpenRocket software. Constructed out of carboard body tube, wooden fins, and foam nose cone.
single-chambered microbial fuel cell | jan/2023 – sep/2023
🖥️ tech & computer-aided design
ME 100 AutoCAD & SOLIDWORKS | sep 2024 – dec 2024
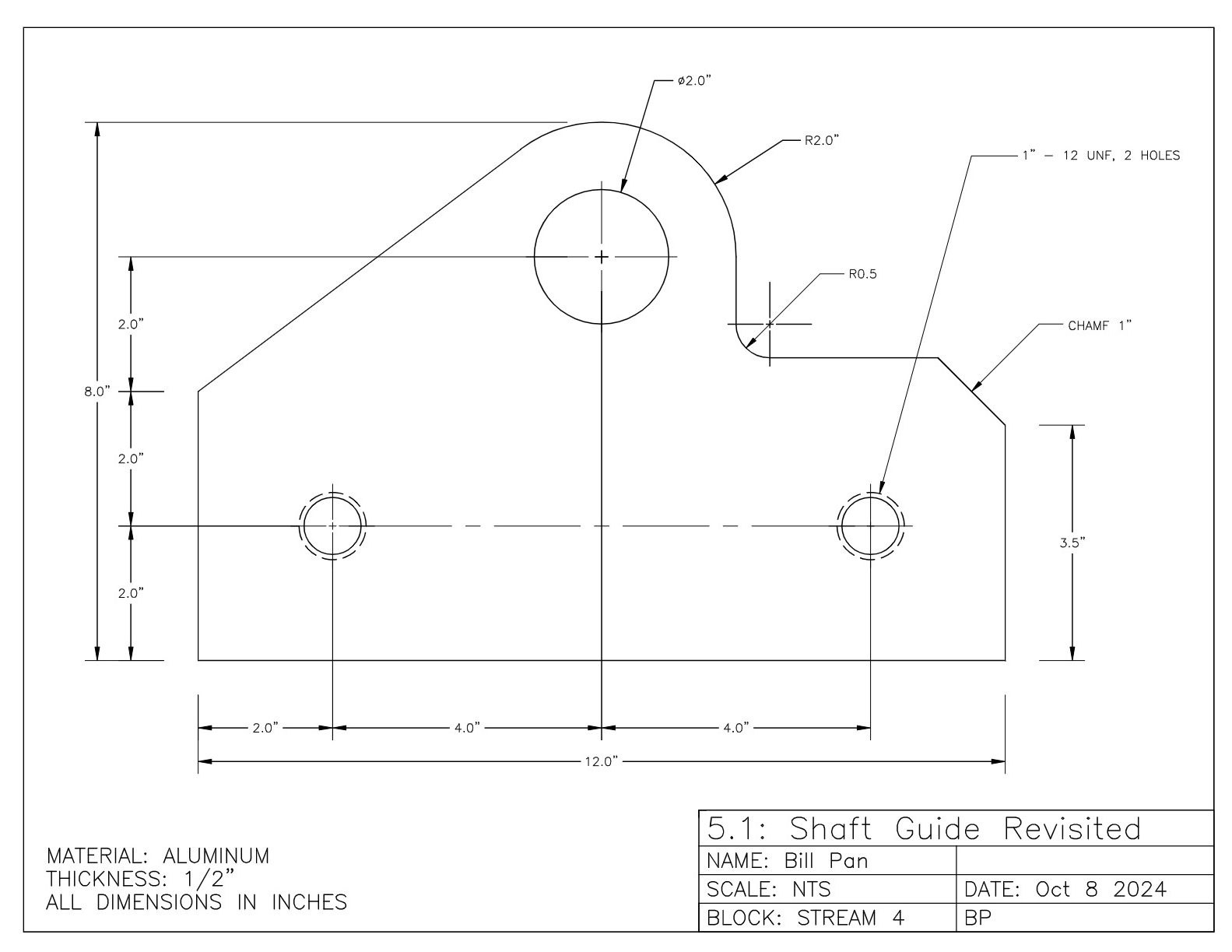
guide shaft | oct/08/2024

laser-cut snowflake | oct/01/2024

designed in AutoCAD
🔬 research papers
effect of pH on the absorption of sodium polyacrylate | feb/2024
optimization of microbial fuel cells using glucose | sep/2023
🖼️ arts + crafts & media
website banner 1 | oct/06/2024

design & edited with Figma
giant goose | sep/04/2024



